Begin February 2014
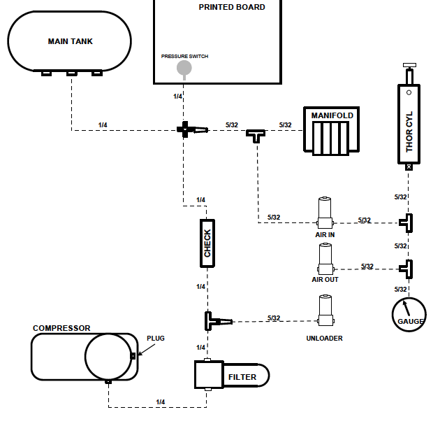
Relocates the check valve and the unloader valve after the filter to reduce chance of malfunction due to particulate.
TO CONVERT FROM 2012 or 2013:
H1917 -1-Brass plug for compressor
H6911- 1- 90 degree elbow to replace banjo fitting in filter
H415- 2 - reducers
H9256- 1- 1/4" cross fitting
H6896- 1 ft- hose , 5/32"
H6897- 1 ft- hose, 1/4"