Begin February 2014:
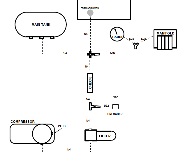
Relocates the check valve and the unloader valve after the filter to reduce chance of malfunction due to particulate.
NEEDED TO CONVERT FROM BEFORE 2012 & 2013:
H1917 1- Brass plug for compressor 1 - 90 degree elbow to replace
H6911, H415 1- 90 degree elbow to replace banjo fitting in filter
H50 2- 1/4" T fittings
H6881 2- Reducers
H9256 1- 5/32" Y fitting
H6896 1- 1/4" cross fitting
H6897 1- hose, 5/32"
1- hose, 1/4"
