Symptom - distraction cylinder continues to distract on it's own
Troubleshoot - by-pass the electro pneumatic regulator (or "Marshbellofram")
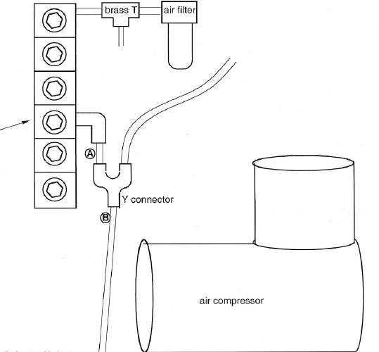
Remove the very short air line (A) from the 4th coil of the manifold. Compress the ring of the elbow and release the air line Remove the air line from the individual side of the "Y" connector (B) and insert it into the elbow of the 4th coil.
If the cylinder stops extending then the problem was with the regulator.
4th coil from top: